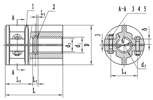
|
型号
|
轴径
d
|
额定
转矩
N·m
|
许用转速
rpm
|
D
|
d1
|
d2
|
d3
|
L
|
L1
(H8/Js7)
|
L2
|
L3
(H11)
|
L4
|
δ
|
质量
(kg)
|
|
GJL-l
|
30
|
85
|
900
|
102
|
38
|
25
|
62
|
130
|
20
|
55
|
5
|
64
|
16
|
4.47
|
|
GJL-2
|
40
|
236
|
800
|
118
|
48
|
35
|
76
|
162
|
20
|
71
|
5
|
80
|
16
|
7.60
|
|
GJL-3
|
50
|
530
|
700
|
135
|
62
|
42
|
90
|
190
|
24
|
83
|
6
|
94
|
18
|
10.85
|
|
GJL-4
|
65
|
1400
|
550
|
172
|
78
|
55
|
120
|
250
|
30
|
110
|
8
|
124
|
22
|
25.06
|
|
GJL-5
|
80
|
2650
|
510
|
185
|
94
|
70
|
130
|
280
|
38
|
121
|
10
|
138
|
24
|
30.16
|
|
GJL-6
|
95
|
5200
|
415
|
230
|
110
|
85
|
160
|
330
|
38
|
146
|
10
|
164
|
30
|
56.38
|
|
GJL-7
|
110
|
9000
|
380
|
260
|
125
|
100
|
190
|
390
|
46
|
172
|
12
|
190
|
38
|
78.00
|
|
|