 |
 |
 |
|
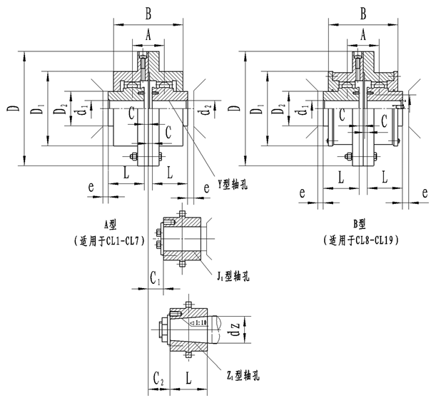
型
号
|
额定转矩
N·m
|
许用转速
rpm
|
轴孔直径
d1、d2、dz
|
轴孔
长度
|
A
|
B
|
D
|
D1
|
D2
|
C
|
C1
|
C2
|
e
|
转动
惯量
kg·m2
|
质量
kg
|
|
Y
|
J1
Z1
|
|
L
|
|
mm
|
|
CL1
|
710
|
3780
|
18、19
|
42
|
30
|
49
|
106
|
170
|
110
|
55
|
16
|
—
|
—
|
12
|
0.03
|
7.8
|
|
20、22、24
|
52
|
38
|
6
|
18.5
|
18.5
|
|
25、28
|
62
|
44
|
2.5
|
14
|
18.5
|
|
30、32、35、38
|
82
|
60
|
11
|
—
|
|
40
|
112
|
84
|
|
CL2
|
1400
|
3000
|
30、32、35、38
|
82
|
60
|
75
|
134
|
185
|
125
|
70
|
2.5
|
13
|
22
|
12
|
0.05
|
12.5
|
|
40、42、45
|
112
|
84
|
28
|
|
48、50
|
|
|
|